Model ES05
Manual Test Stand
The compact ES05 test stand is designed for compression testing
of up to 30 lbF (150 N). Typical applications include switch contact
activation testing, small spring testing, peel testing, and more.
A spring-loaded lever allows for repeatable testing with up to
1.5” (38 mm) displacement
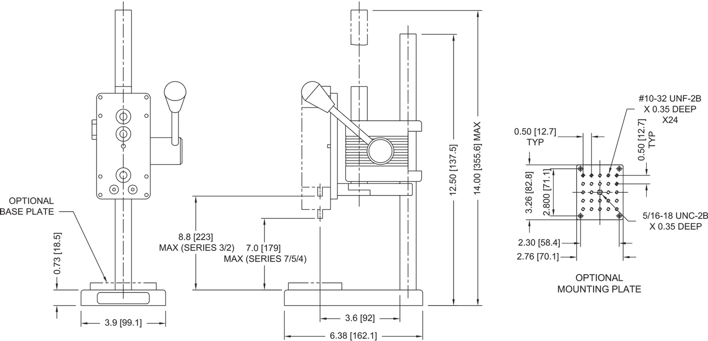
The lever mechanism can be repositioned along the length of the column, allowing this stand to be used for various sized samples. The ES05’s small footprint makes it particularly well suited to crowded workbenches, while its low weight makes it
very portable for field auditing or for quick transportation to other
testing areas. Use the ES05 with Mark-10
force gauges and
grips
to create a complete testing solution.
Features
- Compatible with all Mark-10 force gauges, accessories and grips
- Spring-loaded lever operation is convenient for repetitive testing requirements
- Lever mechanism can be repositioned along the length of the column
- Mounting holes for bench mounting
- Compact size
- Optional base plate with 25 #10-32 threaded holes for fixture mounting
- Competitor force gauge mounting kits available
Specifications
- Maximum force:
30 lbF [150 N] (compression only) - Maximum travel:
1.5" [38 mm] - Weight:
6 lb [2.7 kg] - Shipping Weight:
7 lb [3.2 kg] - HS code:
ES05: 9024900000
AC1060: 9024800000 - ECCN
EAR99 - Country of origin:
USA
In The Box
The ES05 test stand is shipped as shown at left, and includes the following accessories:
(4) Thumb screw for force gauge(1) Allen wrench set
Optional Equipment
![]() |
A wide range of force gauges and gripping fixtures |
|
Base plate Contains 25 #10-32 threaded holes for fixture mounting |
|
Eye end adapters Allow for quick grip installation and removal, and prevent grip rotation. Mount to common test frames, load cells, and force gauges. |
![]() |
Competitor force gauge mounting kits |





