ESM303
Motorized Tension / Compression Test Stand
DISCONTINUEDReplaced by: Model F105 / F305 / F505
ESM303
Motorized Tension / Compression Test Stand
DISCONTINUEDReplaced by: Model F105 / F305 / F505
- Features
- Specifications
- In The Box
- Optional Functions
- Hardware and Software Options
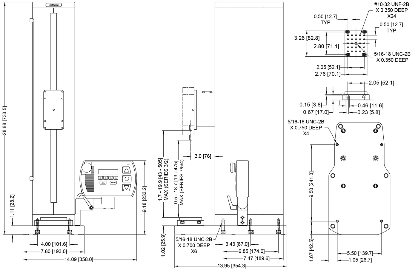
- Dimensions
- Downloads
Features
- Selectable speed setting
- Upper and lower travel limit switches
- Adjustable, removable controller with intuitive menu navigation
- Password protection of test parameters
- Stepper motor-driven, producing smooth and quiet operation with no speed variation under load
- USB output of force vs. time or force vs. travel
- Compact footprint, suitable for crowded workbenches
- Ergonomic design, with smart, clean cable management
- Integrated electronics assembly, easily removed and transported
- Adjustable mounting plate with T-slot base
Specifications
| Load capacity: |
300 lbF (1.5 kN) @ up to 24 in/min (610 mm/min) 200 lbF (1 kN) @ >24 in/min (610 mm/min) |
|
| Maximum travel distance: | 18.0 in (457 mm) | |
| Speed range: |
Standard: 0.5 - 13 in/min (13 - 330 mm/min) Optional: 0.02 - 45 in/min (0.5 - 1,100 mm/min) |
|
| Speed setting accuracy: | ±0.2% of setting | |
| Speed variation with load: | ±0% (stepper motor driven) | |
| Travel accuracy*: | ±0.002 in. per 10 in. (±0.05 mm per 250 mm) | |
| Travel resolution: | 0.001 in / 0.02 mm | |
| Limit switch repeatability: | 0.001 in (0.03 mm) | |
| Power: | Universal input 80-240 VAC, 50/60 Hz, 60W | |
| Weight: | 56.5 lb [25.6 kg] | |
| Shipping weight: | 70 lb [31.8 kg] | |
| Warranty: | 3 years [see individual statement for further details] | |
| HS code: | Model no. | HS code: |
|
ESM303 AC1094-1,-2,-3 AC1095-1,-2,-3 AC1092-3,-4 All controller options |
9024900000 | |
|
AC1085 ESM303-004 AC1114 AC1107 AC1062 AC1064 |
9024800000 | |
| ECCN: | EAR99 | |
| Country of origin: | USA | |
* Because load cell deflection and system deflection are present and not automatically compensated for, this equipment is recommended for applications requiring at least 0.2 in [5 mm] of travel distance.
In The Box
Optional Functions
Any of the below functions may be purchased at time of order or may be enabled in the field at a later date through a code activation process. The only exception is the AF009 travel measurement option, which also requires field hardware installation.
A complete options package is also available, including all of the below features at a discounted price.
The test stand is shipped in Demo Mode, during which time all available features are temporarily enabled for 160 hours of operation.
| Feature | Part No. | Description | Requirements |
|---|---|---|---|
| FollowMe® | AF008 |
Crosshead movement responds to manually pushing or pulling on the force gauge shaft or load cell. Increasing force produces greater speeds. Ideal for setups and quick positioning. |
|
| Travel indication | AF009 | Travel is indicated on the control unit display, with output via USB. An internal scale utilizing Renishaw technology produces significantly higher accuracy than with conventional rotary encoder-based designs. Backlash and nonlinearity are virtually eliminated. |
|
| Computer control | AF010 |
The ESM303 may be fully controlled by a PC through a custom-written program in any language supporting ASCII communications. Also responds to the legacy Chatillon TCD command set and legacy Nexygen TCD software (not available from Mark-10). This option is not required for MESUR®gauge Plus software. |
|
| Programmable travel limits | AF011 | The stand stops at or cycles between programmable upper and lower travel distances. |
|
| Overload protection | AF012 | Protects a force gauge or force sensor against overload. Program the desired percentage of full scale of the gauge. Adjustable analog voltage setting allows the stand to interface with virtually any gauge with analog output. |
|
| Auto return | AF013 | The crosshead moves to a limit switch, force set point, travel position, or break, then stops and reverses direction at full speed to the opposite limit. |
|
| Cycling / dwell time | AF014 | Same as auto return, but with the ability to program up to 100,000 cycles. Programmable dwell time for upper and lower limits (set independently) can be set up for up to 10,000 seconds. |
|
| Independent Up and Down speeds | AF016 | Configurable speeds for up and down directions. |
- |
| Low speed extension | AF017 | Extends the standard speed range down to 0.02 in/min (0.5 mm/min). |
- |
| High speed extension | AF018 | Extends the standard speed range up to 45 in/min (1,100 mm/min). |
- |
| Break detection | AF019 | Crosshead stops at a sudden drop in force. Programmable percentage of peak force. |
|
| Loadholding | AF020 | Dynamically adjusts the crosshead position to maintain a programmed load for an indefinite or specified period of time. |
|
| Preload / sample touch | AF021 | Stops the crosshead and/or zeroes the travel display at an initial preload - useful in tensile, compression, spring, elongation, and other applications. Preload is programmable as a percentage of force gauge/load cell full scale. Three modes: (1) stop, (2) stop and zero, and (3) zero without stopping. |
|
| Profiles | AF022 | Save and recall sets of test parameters, such as speeds, travel limits, preloads, etc. Up to 50 profiles may be stored. | - |
| Complete options package | AFCOMP | Includes all functions listed above, plus AC1114 interface cable and AC1107 USB cable. Requires a Series 7 or 5 gauge or indicator with load cell. |
|
Hardware and Software Options
|
Shield (AC1092-3, AC1092-4) Provides pinch and sample debris protection for the operator via hinged door. Includes an electrical interlock, preventing test stand operation while the door is open. The shield rests on the workbench, enclosing the ESM303 and most other Mark-10 motorized test stands and frames. Two heights are available, accommodating an ESM303 with column extension of up to 24 in [610 mm]. |
|
Control panel tabletop mounting kit (AC1085, ESM303-004) For applications requiring remote use of the control panel. Features an adjustable viewing angle and a base with thru holes for bench mounting. Use AC1085 for test stands produced in November 2020 or later, or ESM303-004 for test stands produced earlier. |
|
Data collection & motion control software Note: MESUR®gauge Plus does not require any optional test stand functions, such as PC Control. If force vs. travel vs. time output is required, order the Travel Indication option. See below section for details. |
|
A wide range of force gauges and gripping fixtures |
|
Interface cable, gauge to test stand (AC1114) Connects Series 7, 5 and Series 4 force gauges to the crosshead. This single cable is used to transmit data and power. The gauge's AC adapter is not required. |
|
USB cable, test stand to PC (AC1107) For force and travel data output and PC control. |
|
Load cell / indicator adapter (AC1062) Accommodates any Mark-10 indicator and Series R01 or R03 force sensors. Includes mounting hardware. |
|
Load cell hardware kit (AC1064) Note: Series R01 and R03 load cell part numbers ending in -1 (ex: MR01-500-1) include mounting hardware for an ESM303H. |
|
Single column extensions (AC1094-1 / -2 / -3) Increase the vertical clearance for tall samples. Multiple extensions may be stacked for very long samples. Three lengths are available - 6, 12 and 24 in [150, 300, and 600 mm]. Old part number: ESM303-001-1 / -2 / -3 |
|
Double column extensions (AC1095-1 / -2 / -3) Accommodate up to a 20 in. [508 mm] wide sample, or ø21.5 in [ø546 mm] round sample. Three heights are available - 6, 12 and 24 in [150, 300, and 600 mm]. Base contains rows of T-slots for fixture mounting. Old part number: ESM303-002-1 / -2 / -3 |
|
Eye end adapters Allow for quick grip installation and removal, and prevent grip rotation. Mount to common test frames, load cells, and force gauges. |
Ordering Information
| Model | Description | US Price |
|---|---|---|
| Hardware | ||
| ESM303 | Motorized test stand,110V* | DISCONTINUED |
| AC1094-1 | Single column extension for ESM303, 6" | $640.00 |
| AC1094-2 | Single column extension for ESM303, 12" | $685.00 |
| AC1094-3 | Single column extension for ESM303, 24" | $815.00 |
| AC1095-1 | Double column extension for ESM303, 6" | $2,900.00 |
| AC1095-2 | Double column extension for ESM303, 12" | $3,100.00 |
| AC1095-3 | Double column extension for ESM303, 24" | $3,250.00 |
| AC1092-3 | Shield, 51.9" height, ESM303 with column extension up to 24" | $3,360.00 |
| AC1092-4 | Shield, 34.4" height, ESM303 | $2,370.00 |
| AC1085 | Control panel tabletop mounting kit, Nov. 2020 or later | $200.00 |
| ESM303-004 | Control panel tabletop mounting kit, Oct. 2020 or earlier | $375.00 |
| AC1114 | Test stand-gauge interface cable | $175.00 |
| AC1107 | USB cable | $30.00 |
| AC1062 | Load cell / indicator mounting kit for ESM303 | $265.00 |
| AC1064 | Load cell hardware kit for ESM303 | $80.00 |
| Controller Options | ||
| AF008 | FollowMe® | $380.00 |
| AF009 | Travel measurement | $1,380.00 |
| AF010 | PC control | $1,380.00 |
| AF011 | Travel limits | $380.00 |
| AF012 | Overload protection | $380.00 |
| AF013 | Auto return | $265.00 |
| AF014 | Cycling | $380.00 |
| AF016 | Independent up/down speeds | $230.00 |
| AF017 | Low speed range extension | $265.00 |
| AF018 | High speed range extension | $265.00 |
| AF019 | Break detection | $265.00 |
| AF020 | Load holding | $595.00 |
| AF021 | Preload | $380.00 |
| AF022 | Save multiple profiles | $755.00 |
| AFCOMP | Complete options package | $5,450.00 |
* ESM303 contains a universal power supply (80 - 240V) and includes a power cord with US plug. Add suffix ‘E’ for Euro plug, ‘U’ for UK plug, or ‘A’ for Australian plug. Ex: ESM303E
Power cords also available for purchase individually.
